2026年01月19日/ 浏览 68
光伏并网系统在促进能源转型和电网稳定性方面具有显著作用。然而,光伏发电的间歇性和不稳定性引发的电能逆流问题,也对电网安全构成了挑战。面对此问题,需研发更为高效的逆电流防护技术。鉴于此,本文将详细探讨防逆流光伏并网系统的设计与实际应用,分析其在提升电力系统稳定性和电能质量方面的作用,并提出相应的技术改进措施。
1 防逆流光伏并网系统概述
防逆流光伏并网系统是一种重要的电力设备,用于确保光伏并网系统的安全稳定运行,同时保护电网免受损害。防逆流光伏并网系统的核心功能是防止光伏发电系统产生的电力逆向流回电网,即确保电力只能从电网流向负载,而不能从负载流回电网。这一功能对于保护电网的安全和稳定至关重要,特别是在并网发电和储能系统中,由于外部环境的变化,需要通过实时监测和调节系统的发电功率,以达到防逆流的目的。此外,防逆流装置还能有效减少谐波、三相电流不平衡等问题,降低电网电压波动和闪变,提高电力质量。
2 现有逆电流防护技术类型:安科瑞王丹丹acrel2021

2.1 逆流保护装置
在电力系统中,逆流保护装置主要用于防止电能从负载端逆向流入电网,确保电网的稳定性和安全性。该装置通过精确监测电流方向和电压水平,并利用传感器与控制单元实时调节电力流动,以应对并网光伏系统中太阳能发电的间歇性和不稳定性。逆流保护装置的部署不仅防止逆流引发的电网事故,提升电网负荷平衡,还能有效延长设备使用寿命并降低维护成本。集成的通信技术使这些装置能够与电网管理系统无缝对接,实现数据的实时传输和分析,从而提升系统响应速度与处理能力,增强电网运行的高效性和可靠性。逆流保护装置的应用显著提升了电力系统的智能化水平,为电网安全稳定运营提供了坚实的技术支持。
2.1单机版防逆流保护装置
AM5SE-IS防逆流保护装置

AM5SE-IS防逆流保护装置主要适用于35kV、10kV及低压380V光伏发电、风力发电、储能充放电等新能源并网供电系统。当向公共电网有逆向供电现象时,可以快速切除并网点,使本站不持续向电网逆向供电,保证电站的使用满足电网要求。



外形及开孔尺寸

2.2 主从机版防逆流保护装置
2.2.1 光纤直跳方案
AM5SE-PV系列防逆流保护装置

AM5SE-PV系列防逆流保护装置主从机采用光纤方式连接,通过光纤链路远程开入开出实现防逆流。
1)当逆流监测点与用户侧并网发电系统并网单元的并网柜之间线缆敷设距离在100米至1.5kM之间可采用AM5SE-PV系列主从机方案,主机从机之间可采用多模光纤为 62.5/125um,波长 850nm,ST 接口连接;
2)当逆流监测点与用户侧并网发电系统并网单元的并网柜之间线缆敷设距离在1.5kM至20kM之间可采用AM5SE-PV系列主从机方案,主机从机之间可采用单模光纤波长 1310nm,ST 接口连接;
3)当逆流监测点与用户侧并网发电系统并网单元的并网柜之间线缆敷设距离在20kM至40kM之间可采用AM5SE-PV系列主从机方案,主机从机之间可采用单模光纤波长 1550nm,ST 接口。

主要功能



2.2.2 GOOSE通讯方案
AM5SE-PV系列防逆流保护装置

AM5SE-PV系列防逆流保护装置主从机采用光纤方式连接,通过光纤链路组GOOSE通信网络实现防逆流。
当逆流监测点与用户侧并网发电系统并网单元的并网柜之间线缆敷设距离在100米至20kM之间可采用AM5SE-PV系列主从机方案,主机从机之间可采用单模光纤波长 1310nm,FC 接口连接; 当逆流监测点与用户侧并网发电系统并网单元的并网柜之间线缆敷设距离在20kM至40kM之间可采用AM5SE-PV系列主从机方案,主机从机之间可采用单模光纤波长 1550nm,FC 接口连接。
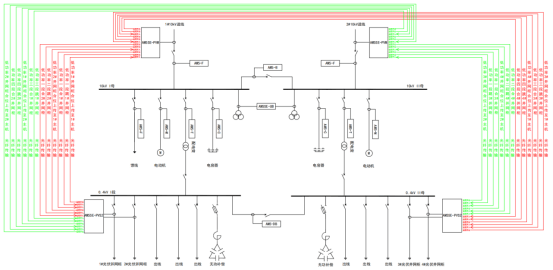
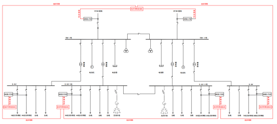
主从机通信组网光纤直连拓扑图
点击添加图片描述(最多60个字)
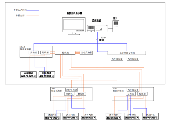
主从机通信组网借光纤环网交换机组光纤环网拓扑图
主要功能


3.工商业光伏储能并网——防逆流解决方案
3.1柔性软件调节+刚性保护跳闸
采用不允许向电网倒送电方式的用户侧并网发电系统时,需在公共连接点配置防逆流保护装置,同时可配置系统软件可采集并网点功率,并与发电设备通信调节实时发电量,通过防逆流软件柔性调节。
在满足电网防逆流管理要求的情况下,通过柔性调节降低发电系统发电功率,减少逆功率情况发生,减少防逆流保护的刚性跳闸次数,使得用户侧并网发电系统的的持续稳定运行,保障用户收益;
在软件柔性调节失效且产生逆向功率倒送公共电网时通过刚性防逆流保护跳闸快速断开并网柜,防止用户侧并网发电系统持续发电倒送公共电网。

3.2防逆流软件功能——系统柔性调节方案
防逆流软件可实时监测防逆流监测点功率变化,当前光伏发电总功率、储能实时放电功率与储能实时充电功率以及每个并网单元并网点的实时功率。
防逆流软件可设置逆功率跳闸策略、低功率调节策略、以及功率恢复正常后判断合闸策略。
